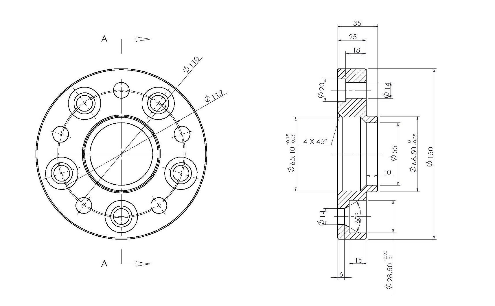
Jak w temacie, potrzebuje rysunek techniczny adapteru do mkIV z 5x100 na 5x112. Jak ktos ma to poprosze bo potrzebuje a zeszukalem sie wszedzie i nie ma
Z gory dzieki


Użytkownicy przeglądający to forum: Obecnie na forum nie ma żadnego zarejestrowanego użytkownika i 8 gości